MacSync-LWQ-X4 Datasheet
Product Overview
MacSync‑LWQ‑X4 is an industrial‑grade LoRaWAN® Water Electrical Conductivity (EC) Sensor designed for continuous, online monitoring of water conductivity levels in drinking water systems, wastewater treatment plants, industrial effluents, and natural water bodies. Electrical conductivity is a key indicator of dissolved salts and ionic content, making EC monitoring critical for water quality assessment and process control.
Built around a high‑stability industrial EC probe and precision signal conditioning, MacSync‑LWQ‑X4 delivers accurate and repeatable conductivity measurements with minimal drift over long‑term operation. The sensor supports real‑time EC monitoring in tanks, pipelines, cooling towers, reservoirs, rivers, lakes, and STP/WWTP facilities—helping operators detect contamination, salinity changes, and abnormal process conditions at an early stage.
Optimized for ultra‑low‑power operation and long‑range wireless communication, the device securely transmits EC data over LoRaWAN® networks, enabling multi‑year battery life even in remote and unmanned installations. Its rugged, ingress‑protected enclosure and industrial‑grade probe design make it suitable for harsh outdoor and submerged water monitoring environments.
With support for LoRaWAN® v1.0.4, AES‑encrypted communication, OTA configuration via the Macnman Maya App, and compatibility with all major public and private LoRaWAN® network servers, MacSync‑LWQ‑X4 provides a scalable and future‑ready solution for IoT‑based water quality and conductivity monitoring.




Download Center
Download the PDF Version of the Datasheet .
Click here to view the decoders for MacSync-LSSX2
Key Features
High‑Accuracy Electrical Conductivity Measurement Industrial‑grade EC probe provides precise and stable conductivity measurements for reliable water quality assessment.
Online & Real‑Time EC Monitoring Continuous conductivity monitoring in tanks, pipelines, cooling towers, reservoirs, rivers, and treatment facilities.
Wide Application Water Compatibility Suitable for drinking water, wastewater, industrial effluent, process water, and natural surface water monitoring.
Ultra‑Low‑Power LoRaWAN® Connectivity Long‑range LoRaWAN® communication enables multi‑year battery life for remote and unmanned water monitoring sites.
Long‑Term Stability & Low Drift Optimized sensor design and signal conditioning ensure consistent EC readings over long‑term deployments.
Designed for Harsh Water Environments Rugged, ingress‑protected enclosure and probe suitable for submerged and outdoor installations.
Threshold Alerts & Event‑Based Reporting Configurable EC thresholds enable early detection of contamination, salinity changes, and abnormal conditions.
Remote Configuration via Maya App Device configuration, diagnostics, and OTA updates supported through the Macnman Maya mobile application.
Secure & Scalable IoT Architecture AES‑encrypted data transmission with compatibility across all major public and private LoRaWAN® network servers.
Suited Applications
Drinking Water Quality Monitoring Continuous electrical conductivity monitoring in municipal water supply systems to detect salinity changes and ensure water quality compliance.
Sewage Treatment Plants (STP) Online EC monitoring across treatment stages to assess dissolved solids and optimize treatment processes.
Wastewater Treatment Plants (WWTP) Real-time conductivity tracking of influent and effluent streams to meet discharge norms and regulatory standards.
Industrial Effluent Monitoring Monitoring electrical conductivity in industrial discharge to detect contamination, process leaks, and abnormal chemical concentrations.
Rivers, Lakes & Reservoirs Long-term EC monitoring of surface water bodies to track pollution levels, salinity trends, and environmental impact.
Cooling Towers & Process Water Conductivity monitoring to control blowdown, prevent scaling, and maintain chemical balance in industrial cooling systems.
Desalination & RO Plants EC monitoring for feed water, permeate, and reject streams to evaluate system performance and membrane health.
Smart Water & Environmental Monitoring IoT-based conductivity monitoring for smart city water infrastructure and large-scale environmental monitoring projects.
Technical Specification
General
Specifications
Part Order Number
MacSync‑LWQ‑X4
Product Brand
Macnman Technologies Pvt Ltd
Environmental
Measurement
Sensing Principle
2‑electrode contact method
Detection Range
0–2000 μS/cm, 0–5000 μS/cm (Cell Constant: 1.0)
Resolution
1 μS/cm
Accuracy
±1% of Full Scale (FS)
Working Conditions
Temperature: 0 to +65°C
Pressure: < 0.6 MPa
Ingress Protection (Probe)
IP68
Wireless
Transmission
Wireless Protocols
LoRaWAN® (v1.0.4)
Macnman MacTalk Protocol
Antenna
Internal high-efficiency antenna
Supported Bands
IN865 / RU864 / EU868 / US915 / AU915 / KR920 / AS923-1/2/3/4
Tx Power
26 dBm @ 868 MHz / 20 dBm @ 915 MHz / 19 dBm @ 470 MHz
Sensitivity
-137 dBm @ 300 bps
Activation
OTAA
LoRaWAN® Class
Class A (default)
Configurable to Class C via Maya
LED
Status
LED Type
1 Internal Multi-Color LED
Solid Blue
Device is connected with Maya App
Flashing Blue
OTA (Over-the-Air) update in progress
Slow Blinking Green
Attempting to connect to the LoRaWAN® network
Single Red Blink
A confirmed parameter of MacSync is being modified
Device
Configuration
Configuration
Via Macnman Maya Android App
Uplink Modes
Time Based / Threshold Based / Sampling Based
Stored Records*
30,000 Records
Remote Configuration
JSON Format Data - from server
Battery
Performance
Battery Type
Li-SOCl₂ Cell (19Ah) Industrial grade
Power Consumption
~100 µA in sleep mode
~50 mA during transmission
Battery Life
Up to 04 years (10 Mins Uplink Interval)
Supported
LNS
Supports Major LNS
Private LNS
Chirpstack
The Things Networks
MQTT
Orbiwise
LORIOT
Direct PLC On-Prim Installations
Physical
Characteristics
Power Supply (Optional)
9-36 V DC
Operating Temperature
-40°C to +80°C
Humidity Range
0% to 100% RH (non-condensing)
Ingress Protection
IP65 standard (IP67 optional variant)
Housing Material
Glass field Nylon
Color
Matte White
Weight
~210g
Mounting Options
Pole Mounting / Wall Mounting
Battery
Performance
Battery Type
Li-SOCl₂ Cell (19Ah) Industrial grade
Power Consumption
~100 µA in sleep mode
~50 mA during transmission
Battery Life
Up to 5 years (10 Mins Uplink Interval)
Electrical
Characteristics
Input Voltage Range (Optional Varient)
9-36 V DC (External Supply)
Power Consumption
~100 µA in sleep mode
~50 mA during transmission
Input Impedance
>10 MΩ for voltage inputs
Communication
Options
BLE Connectivity
For local configuration and diagnostics via Maya App
Cloud Protocols
MQTT / HTTPS / TCP IP (Gateway Dependent )
Serial Interface
RS485 Modbus RTU support (via gateway*)
Certifications &
Compliance
WPC
Compliant
RoHS
Conforms to RoHS directive
Security &
Encryption
Data Encryption
AES-256 end-to-end encryption
Authentication
OTAA activation modes
Firmware Protection
Secure boot and signed OTA updates
MacSync-LWQ-X4Variants
| Variant Name | Power Source | Battery Capacity | Solar Support | Ideal Deployment |
|---|---|---|---|---|
| MacSync-LWQ-X4-PO | External Power (9–36 V DC) | ✖️ | ✖️ | Industrial sites, automation systems & weather‑dependent machinery control |
| MacSync-LWQ-X4-BO | Battery Powered | 19 Ah | ✖️ | Remote farms, plantations, research stations — no wired power required |
| MacSync-LWQ-X4-SO | Solar + Battery Hybrid | 12 Ah (Rechargeable) | External solar charging | Long-term field deployments with real‑time climate automation in remote areas |
What's in the box ?
Make sure box contains following items before installations
Accessories must be purchased separately & may not be included in the box.
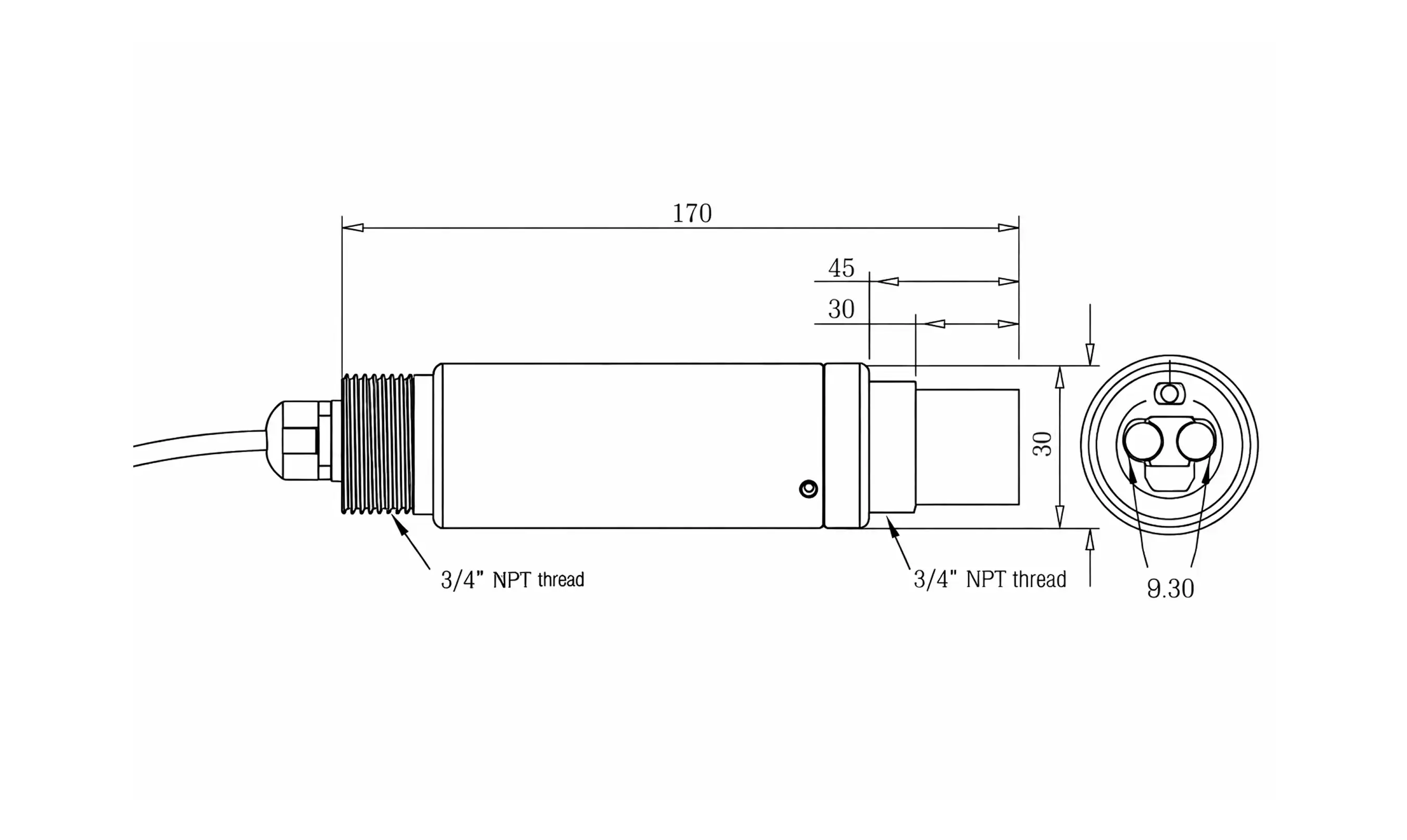
Product Dimensions
