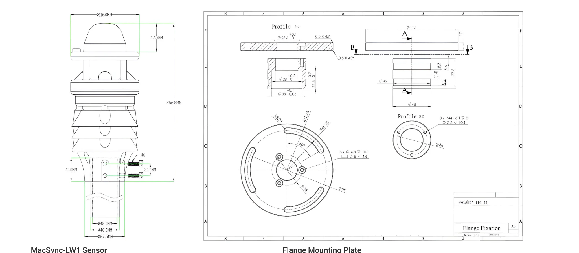
LoRaWANLoRaWAN SensorsWeather StationDimensionsOn this pageDimensionsMacSync STD Dimensions MacSync features a sleek 152 X 43 X 62 mm form factor for easy installation in space-constrained environments. Sensor Drawings Base Plate Drawing